
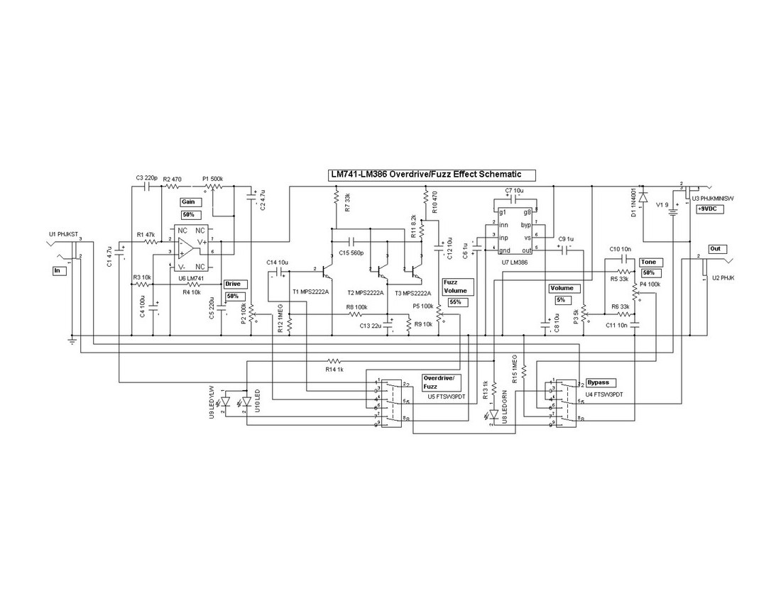
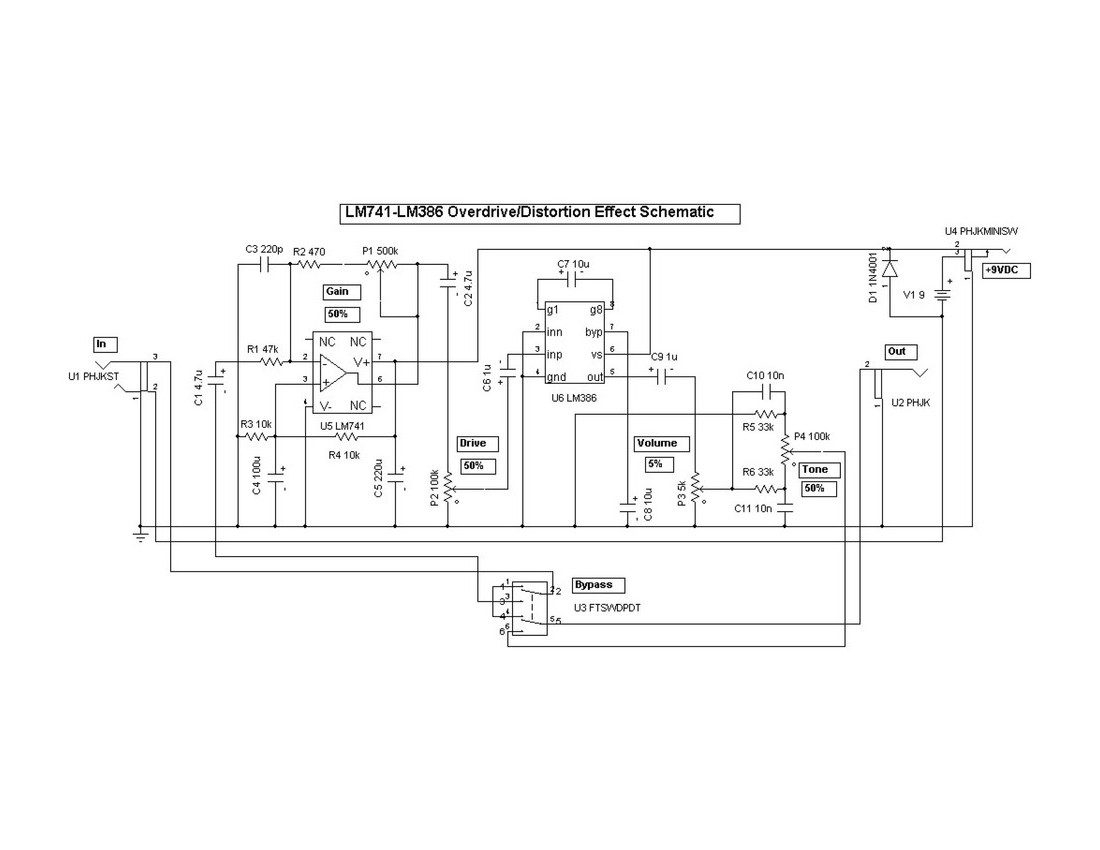
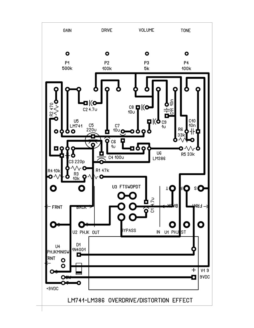
AUDIO PROJECTS




































































































































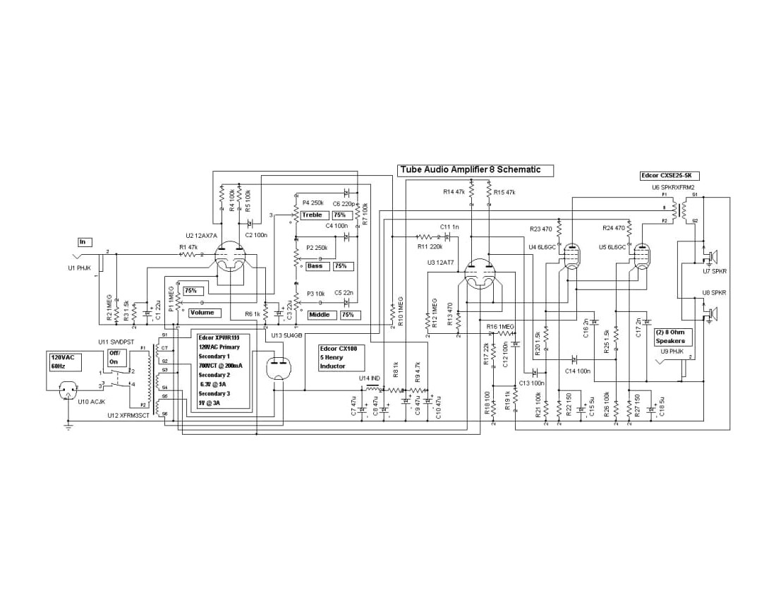
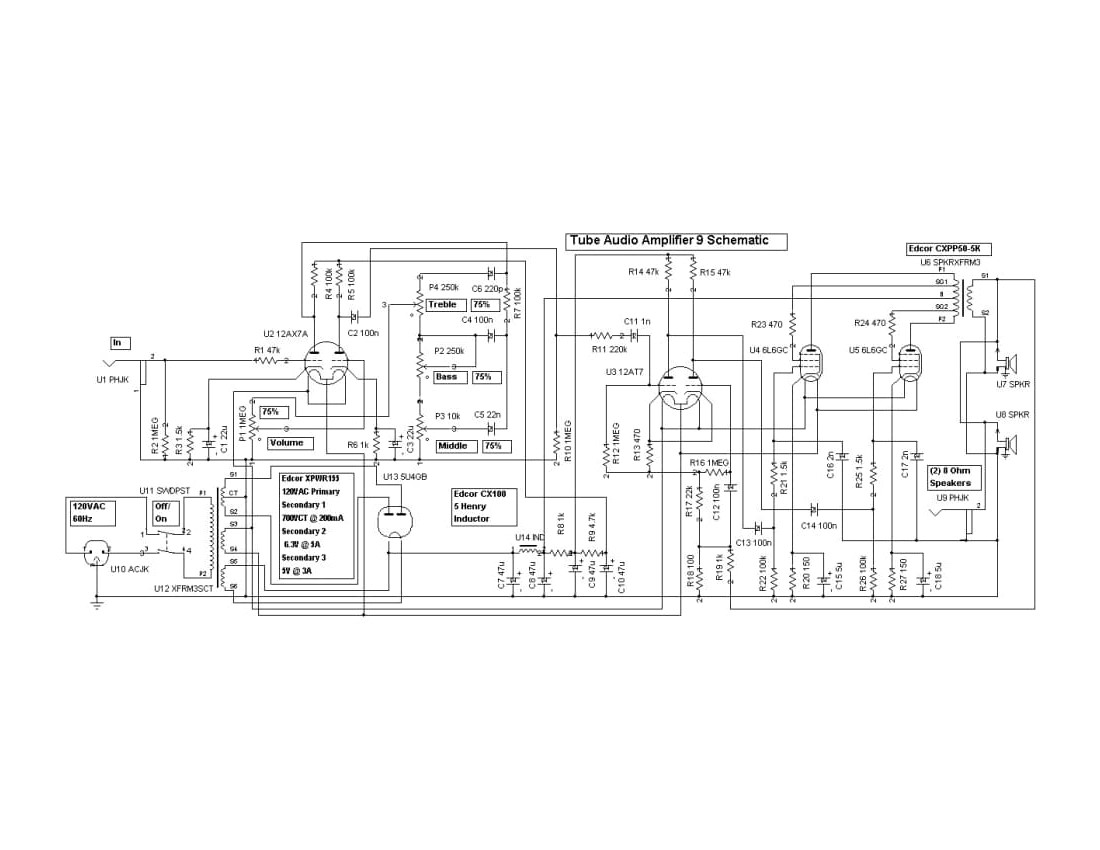
VALVE PROJECTS











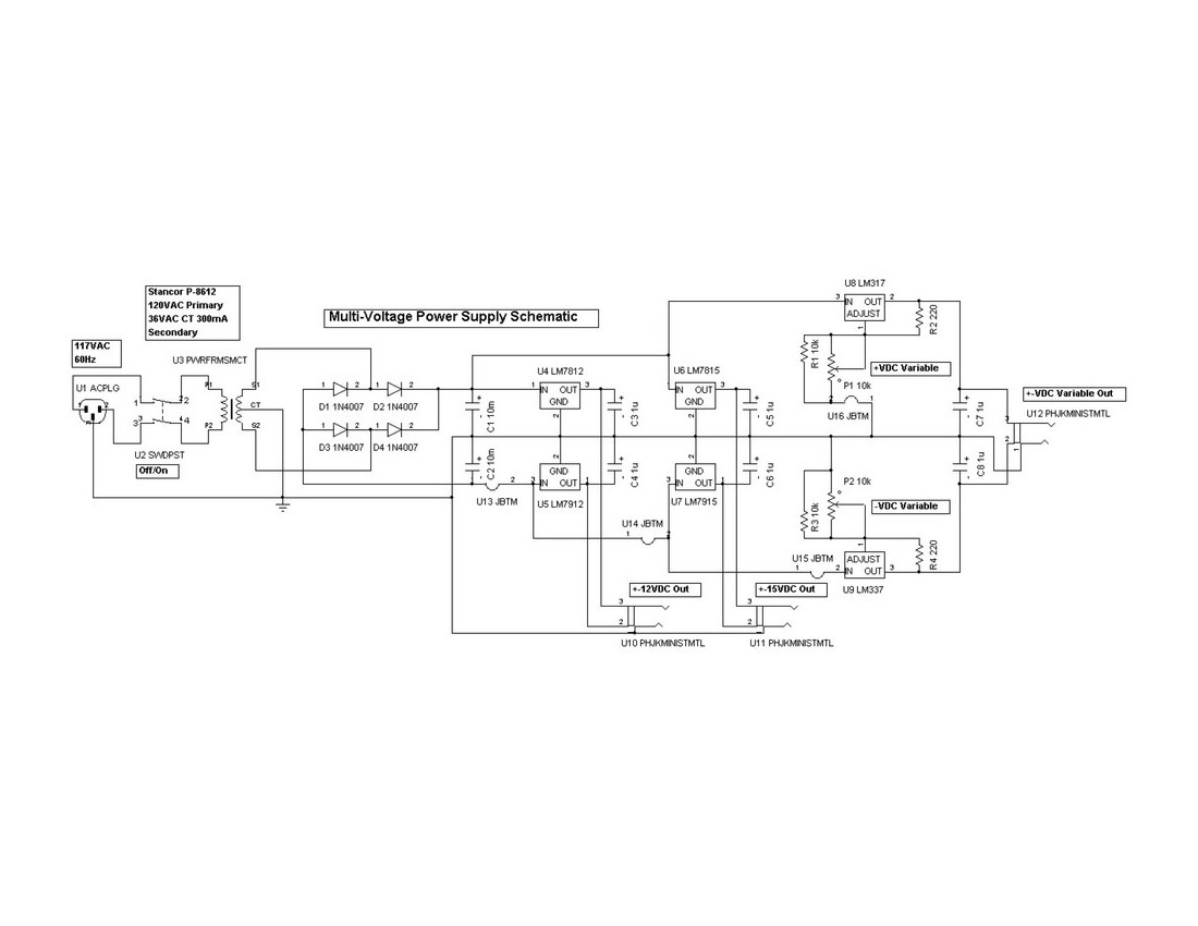
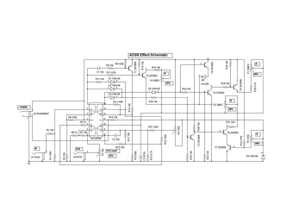
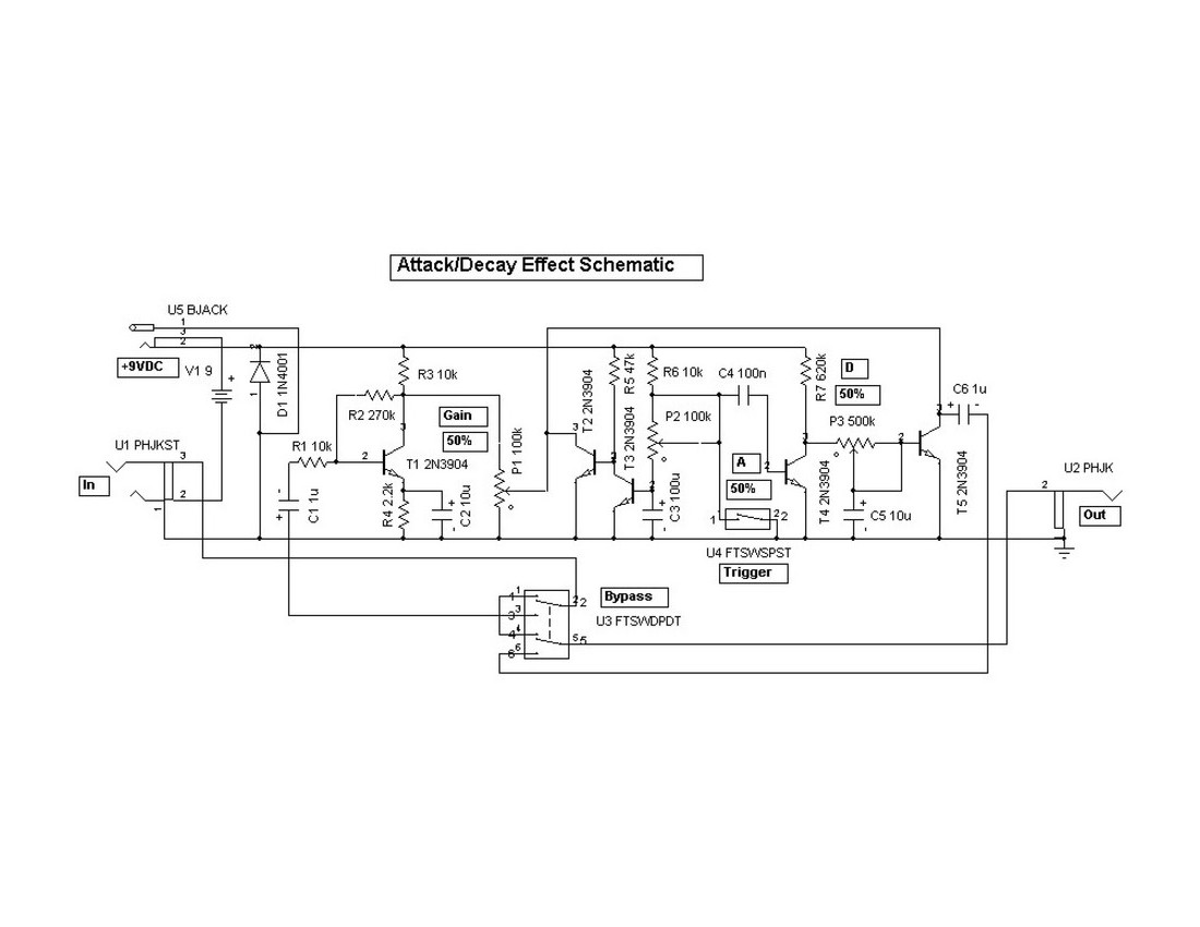
EXPERIMENTAL PROJECTS





















Return to Top